| 廠商名稱 | 產品名稱 | 產品訂貨號 | 貨期(周) | 產品價格 |
|---|---|---|---|---|
| 中國 | 圓柱式傳感器 | A631777 | 洽詢 | 洽詢 |
|
額定載荷 Rated Load |
40 ,50,60,100,150,200,300t |
|
靈敏度Sensitivity |
2.0±0.01mv/v |
|
綜合誤差 Total error |
±0.3﹪F.S |
|
蠕變(30分鐘)Creep(30min) |
±0.05﹪F.S |
|
零點平衡 Zero balance |
±1﹪F.S |
|
零點溫度影響 TCO |
±0.03﹪F.S/10℃ |
|
輸出溫度影響 TC SPAN |
±0.03﹪F.S/10℃ |
|
輸入阻抗 Input resistance |
750 ±10Ω |
|
輸出阻抗 Output resistance |
702 ±3Ω |
|
絕緣電阻礙Insulation resistance |
≥5000MΩ |
|
工作溫度范圍內Operating Temp Range |
30~+70℃ |
|
安全過載 Safe load limit |
150﹪F.S |
|
極限過載 Over load limit |
200﹪F.S |
|
推薦激勵電壓Recommendexcitation |
10~12V DC |
|
最大激勵電壓 Maximumu excitation |
15V DC |
|
密封等級 Protection Class |
IP67 |
|
材質 Construction |
合金鋼Alloy Steel |
|
電纜 Cable |
Length:12m(20~25t),14m (30t),16m (40~50t)Diameter: Φ 6mm |

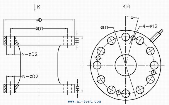
對應尺寸(mm):
|
量程(t) |
H |
H1 |
D |
D1 |
NxΦD2 |
a |
|
40、60 |
160 |
25 |
197 |
160 |
12Xφ22 |
15° |
|
100 |
230 |
40 |
240 |
200 |
12Xφ26 |
15° |
|
150、200 |
326 |
57 |
305 |
250 |
12Xφ33 |
15° |
|
300 |
358 |
69 |
415 |
360 |
18Xφ33 |
15° |
| 產品訂貨號 | 產品介紹 | 符合標準 | 最小訂量 | 價格 | 貨期 | 備注 |
| A631777 | 圓柱式傳感器:額定載荷 Rated Load:40 ,50,60,100,150,200,300t;靈敏度Sensitivity:2.0±0.01mv/v;綜合誤差 Total error:±0.3﹪F.S;蠕變(30分鐘)Creep(30min):±0.05﹪F.S;零點平衡 Zero balance:±1﹪F.S;零點溫度影響 TCO:±0.03﹪F.S/10℃;輸出溫度影響 TC SPAN:±0.03﹪F.S/10℃;輸入阻抗 Input resistance:750 ±10Ω;輸出阻抗 Output resistance:702 ±3Ω;絕緣電阻礙Insulation resistance:≥5000MΩ;工作溫度范圍內Operating Temp Range:30~+70℃;安全過載 Safe load limit:150﹪F.S;極限過載 Over load limit:200﹪F.S;推薦激勵電壓Recommendexcitation:10~12V DC;最大激勵電壓 Maximumu excitation:15V DC;密封等級 Protection Class:IP67;材質 Construction:合金鋼Alloy Steel;電纜 Cable:Length:12m(20~25t),14m (30t),16m (40~50t)Diameter: Φ 6mm,;品牌:中國 | 1 | 洽詢 | 洽詢 | 備注 |
![]() | ![]() | 產品名稱 | 產品訂貨號 | 簡要說明 | 送貨時間 | 價格 | 搜索關鍵字 | |||||||
![]() |
板環式傳感器 | A631744 |
額定載荷 Rated Load 10,20,30,40t 靈… | 洽詢 | 洽詢 |
電阻式傳感器 壓電式傳感器 電阻應變式傳感器 |
||||||||
![]() |
板環式傳感器 | A631745 |
額定載荷 Rated Load 2,3,5,10,15,30t … | 洽詢 | 洽詢 |
電阻應變式傳感器 背照式傳感器 壓電式加速度傳感器 |
||||||||
![]() |
單點式傳感器 | A631748 |
額定載荷 Rated capacities(Emax) 0.5,1,2,3,… | 洽詢 | 洽詢 |
電阻應變式傳感器 背照式傳感器 壓電式加速度傳感器 |
||||||||
![]() |
單點式傳感器 | A631749 |
額定載荷 Rated Load 60,100,150,200,300,350kg … | 洽詢 | 洽詢 |
電阻應變式傳感器 背照式傳感器 壓電式加速度傳感器 |
||||||||
![]() |
單點式傳感器 | A631755 |
額定載荷 Rated capacities(Emax) 1,3,5,10,15kg … | 洽詢 | 洽詢 |
電阻式傳感器 壓電式傳感器 電阻應變式傳感器 |
||||||||
![]() |
圓柱式傳感器 | A631775 |
額定載荷 Rated Load 500t 靈敏度Sen… | 洽詢 | 洽詢 |
電阻應變式傳感器 壓電式傳感器 |
||||||||
![]() |
圓柱式傳感器 | A631776 |
額定載荷 Rated Load 600t 靈敏度Sen… | 洽詢 | 洽詢 |
電阻應變式傳感器 壓電式傳感器 |
||||||||
![]() |
圓柱式傳感器 | A631778 |
額定載荷 Rated capacities(Emax) 1,2.2,3.3,4.7… | 洽詢 | 洽詢 |
電阻應變式傳感器 壓電式傳感器 |
||||||||
![]() |
圓柱式傳感器 | A631780 |
額定載荷 Rated capacities(Emax) 20,25,30,40,5… | 洽詢 | 洽詢 |
電阻應變式傳感器 壓電式傳感器 |
||||||||
|<<<<[1]>>>>| | ||||||||||||||